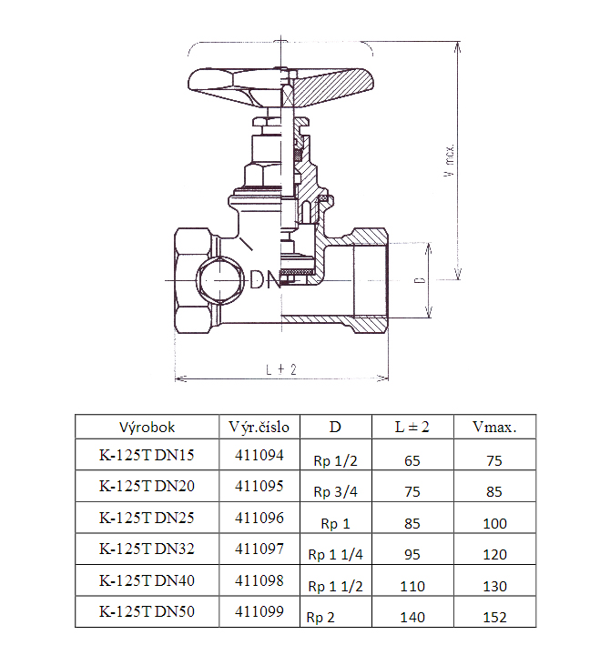
Slovarm K-125T ventil přímý s vypouštěním 1" (411096)
Slovarm K-125T ventil přímý s vypouštěním 1" (411096)
+420 704 458 187
